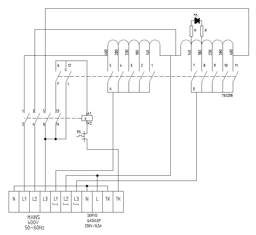
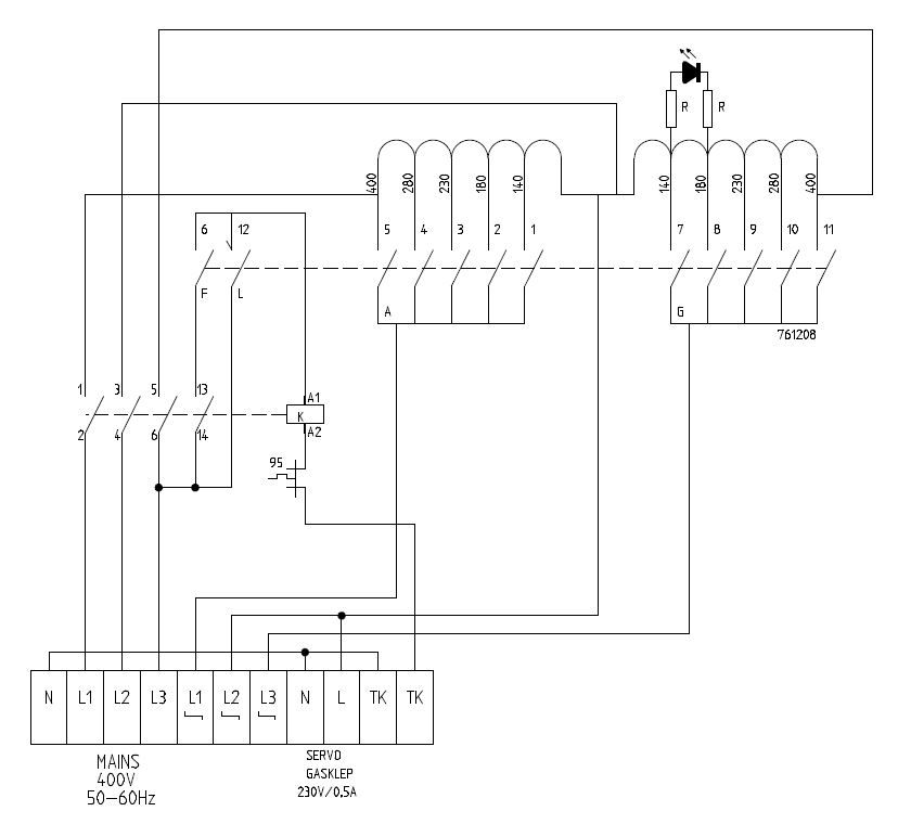
STANDREGELAAR 3 FASE 5 AMP

785,- excl. BTW

Toevoegen aan winkelwagen Voeg toeg aan offerte

785,- excl. BTW

Op voorraad

STANDREGELAAR 3 FASE 5 AMP

4 op voorraad

  • Goede service
  • Deskundig advies
  • Snelle levering
  • Veilig betalen

Je kunt bij ons betalen met